Vysvetlenia Európskej komisie - Definície na centrálne kompresorové a kondenzačné jednotky

 

Vysvetlenia Európskej komisie

Definície na centrálne kompresorové a kondenzačné jednotky

Brussels, 4.8.2017 C(2017) 5230 prílohy 1 a 2 ku Správe komisie k posúdeniu požiadaviek 2022 na vylúčenie chladív s vysokým GWP v obchodnom chladení

 

Kľúčové definície vo vzťahu k požiadavkám 2022

Združené centrálne chladiace systémy

Združené centrálne chladiace systémy  sú systémy s dvomi alebo viacerýmikompresormi pracujúcich paralelne a ktoré sú pripojené k jednému alebo viacerým kondenzátorom a ku väčšiemu počtu chladiacich zariadení ako sú vitríny, ostrovy, ... v chladiacom nábytku alebo chladiace boxy [1].

Táto definícia tiež zahŕňa chladiče kvapalín, kondenzačné jednotky a akúkoľvek inú technológiu pozostávajúcu z viac[2]  ako jedného kompresora splnením tiež iných kritérií tejto definície.

 

Obchodné využitie

Obchodné využitieznamená využitie na uskladnenie, vystavenie alebo vydávanie výrobkov na predaj konečným spotrebiteľom, v predajniach a stravovacích zariadeniach[3].

Táto definícia vylučuje skladovacie zariadenia bez predaja koncovým užívateľom.

 

40 kW hranica chladiaceho výkonu

40 kW podľa bodu 13 v prílohe III sa vzťahuje na menovitý výkon  jednoduchého chladiaceho okruhu s vyparovacou teplotou -10°C pre stredné teploty (MT) a -35°C pre nízke teploty (LT) pri vonkajšej teplote   32°C[4]. V prípade dvoch úplne nezávislých chladiacich okruhov pre MT a LT fungujúce oddelene s priamou expanziou, potom zákaz sa použije na každý okruh zvlášť ak prekročí výkonovú hranicu 40 kW. Ak jeden chladiaci okruh zabezpečuje aj MT aj LT výkon v tom istom čase, súčet oboch výkonov je odpovedajúci výkonu celého systému. Inak, vyšší z oboch výkonov je porovnaný s hranicou 40 kW, či nie je prekročená. Pre viacfunkčné systémy len chladiaci výkon sa použije a nie súčet výkonov pre chladenie a vykurovanie.

 

Primárny okruh kaskádneho systému

‘Primárnym chladiacim okruhom kaskádneho systému sa myslí primárny okruh pre nepriame chladenie , v ktorom kombinácia dvoch alebo viacerých samostatných chladiacich okruhov je spojená do série tak, že primárny okruh absorbuje kondenzačné teplo zo sekundárneho okruhu pre stredné teploty[5].

Táto definícia zahŕňa systémy v ktorých teplo z z nízkoteplotných okruhov je absorbované nepriamym okruhom predtým, ako je absorbované primárnym okruhom, rovnako ako systémy v ktorých primárny okruh získa teplo z kondenzátora z nízkoteplotného okruhu priamo, rovnako ako zo sekundárneho teplotného okruhu inými slovami referenčného systému E a F v rámci prílohy II). Definícia vyžaduje, že MT okruh je rozdelený na primárny a sekundárny okruh. Na druhej strane, jednoduchá kaskáda s R134a v primárnom okruhu tiež slúžiacom na chladenie MT s priamou expanziou (DX systém) a absorpciu tepla z okruhu s CO2 pre LT nepatrí do tejto definície.

 

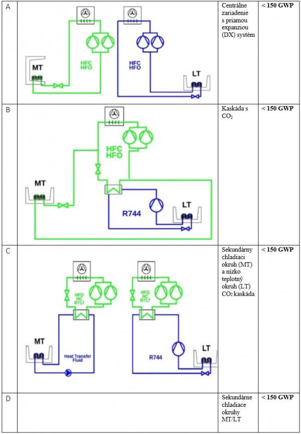
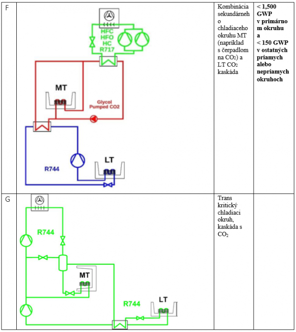
Príloha II

 

Supermarketový chladiaci systém dovolený po roku 2022

Alternatívne riešenia centrálnych chladiacich systémov sú prezentované nižšie v schematickom zobrazení, aby sa ukázali možné dovolené systémy po roku 2022. Všeobecne platí, že akýkoľvek systém, ktorý nepoužíva chladivá s GWP >150 bude dovolený. Koneční používatelia môžu tiež používať rozdelené systémy, ako sú napríklad systémy používajúce samostatné, nezávislé chladiace jednotky.

Tabuľka II.1 Príklady návrhov centralizovaných systémov vyhovujúce požiadavkám po roku 2022 [6]

 


 

Závery

Z technického hodnotenia je zjavné, že existuje viacero technologických alternatívnych riešení, ktoré sú už použiteľné v obchodnom chladení v rámci EU a vyhovujú požiadavkám po roku 2022. Tieto zahŕňajú transkritické CO2 centralizované systémy, nepriame centralizované systémy a samostatné systémy, ktoré sú spoľahlivé a energeticky efektívne alternatívy.

Výsledky ukazujú, že tieto alternatívne riešenia budú cenovo konkurencie schopné v roku 2022, kedy nové požiadavky vstúpia do platnosti. Je dôležité si uvedomiť, že nové pravidlá budú použité len novo inštalované zariadenia po 1. Januári 2022, ale nie na zariadenia, ktoré boli inštalované skôr. Komisia preto nevidí potrebu meniť opatrenia podľa bodu 13 prílohy III Nariadenia (EU) No 517/2014.

 


[1] Article 2(37) Regulation (EU) No 517/2014. [1][1]

[2]  Including if only required for redundancy, i.e. to ensure reliable operation.

[3] Article 2(32) Regulation (EU) No 517/2014.

[4] This definition is based on a similar definition contained in EN 13215: Condensing units for refrigeration. Rating conditions, tolerances and presentation of manufacturer's performance data.

[5] 5 Article 2(38) Regulation (EU) No 517/2014.

[6] GWP = global warming potential, HFO = hydrofluoroolefin or unsaturated HFC, R744 = CO2, R717 = ammonia, HC = hydrocarbon, MT = medium temperature, LT = low temperature

 

Viac informácií nájdete v časopise Správy 8/2017